ich habe ne kurze Frage.
Hat jemand einen Belegungsplan des T-Ports / Gira 1013??
Umbau der Schalte habe ich vollzogen und ich kann die 6 LED's einzeln ansteuern.
Nun wollte ich testweise die LED 5 (Hintergrundbeleuchtung) ohne externe Spannungsversorgung ausprobieren. Ich weiß, daß die UPP Module nicht dafür ausgelegt sind .. aber ich wollte nur mal testen ... ich dachte mir ich verbinde einfach den PIN 1 (VCC) des Schalters mit PIN 6 ((Hintergrundbeleuchtung) --- nachfolgend 2 Bilder .. wollte wissen ob ich damit richtig liege .. weil es nicht geht ... also wenn ich LED 5 ansteuere geht es nicht ...
Willkommen auf unserer neuen Forenplattform für das Bus-Profi Forum
Neue Felder für die persönlichen Daten
Man kann jetzt seine öffentlich einsehbare Daten genau bestimmen. Details findet ihr in in diesem Beitrag.
Durch die neue Forensoftware und die Portierung der Daten konnten die Passwörter aus dem alten Forum nicht übernommen werden, bitte lassen Sie sich ein neues Passwort über die Passwort vergessen Funktion zusenden. Sollte es zu Problemen kommen kontaktieren Sie das Bus-Profi Team per E-Mail.
Neue Felder für die persönlichen Daten
Man kann jetzt seine öffentlich einsehbare Daten genau bestimmen. Details findet ihr in in diesem Beitrag.
Durch die neue Forensoftware und die Portierung der Daten konnten die Passwörter aus dem alten Forum nicht übernommen werden, bitte lassen Sie sich ein neues Passwort über die Passwort vergessen Funktion zusenden. Sollte es zu Problemen kommen kontaktieren Sie das Bus-Profi Team per E-Mail.
GIRA 1013 T-Port
-
Uwe
- (†)
- Beiträge: 14250
- Registriert: So 26. Mai 2002, 23:10
- Hat sich bedankt: 13 Mal
- Danksagung erhalten: 57 Mal
#2 Re: GIRA 1013 T-Port
Moin Moin,
das UPP liefert max. 5mA auf die Ports - das reicht nicht um die Hintergrundbeleuchtung am 1013 zu betreiben. Das Modul wird dann 'Überlast an Peripherie' melden und schaltet damit seine Aktivitäten gänzlich ab.
Grüße, Uwe
BTW: die Belegung des T-Ports ist abhängig von der Einstellung - sehr schön auch hier (http://www.lcn.eu/index.php/de/component/jdownloads/send/12-lcn-komponenten/118-lcn-t8-anschluss-von-tastern) zu erkennen.
das UPP liefert max. 5mA auf die Ports - das reicht nicht um die Hintergrundbeleuchtung am 1013 zu betreiben. Das Modul wird dann 'Überlast an Peripherie' melden und schaltet damit seine Aktivitäten gänzlich ab.
Grüße, Uwe
BTW: die Belegung des T-Ports ist abhängig von der Einstellung - sehr schön auch hier (http://www.lcn.eu/index.php/de/component/jdownloads/send/12-lcn-komponenten/118-lcn-t8-anschluss-von-tastern) zu erkennen.
----------------o00o----'(_)'----o00o---------------------
#3 Re: GIRA 1013 T-Port
Danke Uwe .. für die schnelle Antwort ...
aber theoretisch müßte es so gehen???
Ich glaube mal gelesen zu haben (finde es leider nicht mehr; drum frage ich ja) daß es einer so realisiert hat und es scheinte bei ihm zu funktioieren (ohen Überlastmeldung und Abschaltung)...
Mark_Muc
aber theoretisch müßte es so gehen???
Ich glaube mal gelesen zu haben (finde es leider nicht mehr; drum frage ich ja) daß es einer so realisiert hat und es scheinte bei ihm zu funktioieren (ohen Überlastmeldung und Abschaltung)...
Mark_Muc
-
Uwe
- (†)
- Beiträge: 14250
- Registriert: So 26. Mai 2002, 23:10
- Hat sich bedankt: 13 Mal
- Danksagung erhalten: 57 Mal
#4 Re: GIRA 1013 T-Port
Moin,
bei älteren Modulen (die die Überlastauswertung noch nicht haben) könnte das schon sein.
Ich finde da leider keine Internas (bzw. komme nicht dran) - da musst du einfach noch mal abwarten, bis unsere "Bastler" sich hier zu Wort melden.
Das Hintergrundlicht wird noch über einen Transitor (o.ä.) im 1013 geschaltet, da braucht also auch der 'Schalter' noch zusätzlichen Strom ...
Grüße, Uwe
bei älteren Modulen (die die Überlastauswertung noch nicht haben) könnte das schon sein.
Ich finde da leider keine Internas (bzw. komme nicht dran) - da musst du einfach noch mal abwarten, bis unsere "Bastler" sich hier zu Wort melden.
Das Hintergrundlicht wird noch über einen Transitor (o.ä.) im 1013 geschaltet, da braucht also auch der 'Schalter' noch zusätzlichen Strom ...
Grüße, Uwe
----------------o00o----'(_)'----o00o---------------------
-
Thomas
- Alleswisser

- Beiträge: 5747
- Registriert: Mo 21. Apr 2008, 20:03
- Hat sich bedankt: 20 Mal
- Danksagung erhalten: 13 Mal
#5 Re: GIRA 1013 T-Port
Hallo Mark_Muc,
so geht es leider nicht....
Hintergrundbeleuchtung bekommst du so nicht, der Strom vom I-Port reicht nicht, da braucht es ein externes Netzteil.
Vergiss die Brücke !!
ps. du hast ja den Schaltplan, also sollte es klar sein, was geht ...
so geht es leider nicht....
Hintergrundbeleuchtung bekommst du so nicht, der Strom vom I-Port reicht nicht, da braucht es ein externes Netzteil.
Vergiss die Brücke !!
ps. du hast ja den Schaltplan, also sollte es klar sein, was geht ...
lg Thomas
-
Lutz
- Lord Forum

- Beiträge: 1671
- Registriert: Di 15. Jul 2008, 21:06
- Hat sich bedankt: 3 Mal
- Danksagung erhalten: 2 Mal
#6 Re: GIRA 1013 T-Port
Moin
Suche heute Abend mal nach den Schaltplan von Dirk. Wenn ich den finde setze ich den hier rein.
Vllt auch mal nach KT8 suchen ,hier im Forum
LG Lutz
Suche heute Abend mal nach den Schaltplan von Dirk. Wenn ich den finde setze ich den hier rein.
Vllt auch mal nach KT8 suchen ,hier im Forum
LG Lutz
Let there be sound, and there was sound
Let there be light, and there was light
Let there be light, and there was light
-
Thomas
- Alleswisser

- Beiträge: 5747
- Registriert: Mo 21. Apr 2008, 20:03
- Hat sich bedankt: 20 Mal
- Danksagung erhalten: 13 Mal
#7 Re: GIRA 1013 T-Port
Hallo Lutz,
die wird Mark_Muc hier so, nicht finden.
Dazu müsste er den Kontakt zu Nils herstellen.
die wird Mark_Muc hier so, nicht finden.
Dazu müsste er den Kontakt zu Nils herstellen.
lg Thomas
-
Lutz
- Lord Forum

- Beiträge: 1671
- Registriert: Di 15. Jul 2008, 21:06
- Hat sich bedankt: 3 Mal
- Danksagung erhalten: 2 Mal
#8 Re: GIRA 1013 T-Port
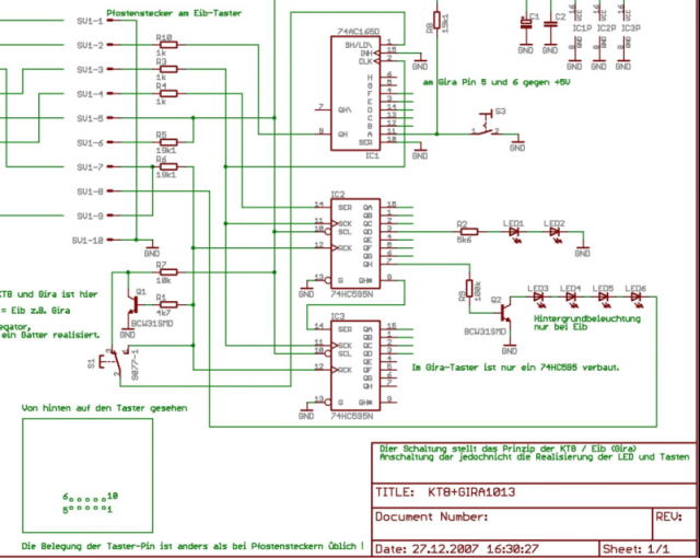
[img]1[/img]
Ob es funzt?????
Mußt du testen
Ob es funzt?????
Mußt du testen
Let there be sound, and there was sound
Let there be light, and there was light
Let there be light, and there was light
Zurück zu „Hardware Eigenproduktionen“
Wer ist online?
Mitglieder in diesem Forum: 0 Mitglieder und 7 Gäste

